Porteros Eléctricos Netyer
Buscar
-???-
-???-
Página de inicio
Productos
Serie M Digital
Serie M Llamada Codificada
Serie M/Serie M Video
Serie M/Serie M Video
Frentes de Calle
Sobre los frentes de calle Netyer
Modelos
Frentes BE
Frentes VE
Serie E
Frentes XS
Central de Conserjería
Central de Conserjería
Teléfonos
Sobre los teléfonos Netyer
Modelos
T2
T3
T4
Fuentes de Alimentación
Sobre las fuentes de alimentación Netyer
Fuentes para portero eléctrico
Kits Familiares
Kits de 2 y 4 hilos
Kit Video
Intercomunicador para ascensores
IA-04
Accesorios y Complementos
Activador de Frentes
Ding Dong Auxiliar
Bobina Antiacople
Control de Portería
Amplificador para frentes de calle
Repuestos
Repuestos T2
Repuestos T3
Repuestos T4
Repuestos Serie M
Outlet / Discontinuados
Circuitos, Manuales y Service
Instalación y Service
Instalación y Service
Circuitos de Instalación
Serie M
Serie M conexión convencional (6 hilos)
Serie M básico, con o sin luz en las botoneras
Serie M con luz y central de conserjería
Serie M con dos accesos
Equivalencia T4 Serie M - Urmet
Equivalencia T4 Serie M - Farfisa
Repetidor de llamada en Serie M
Serie M Video
Bornera Control de Encendido de Monitor
Conexión de CEM y Amplif. de video
Bornera Ampli de video p/palier
Serie M Video-Ready
Serie M Video con amplificadores para palier
Circuitos con T2
T2 con frente genérico y fuente con 3 bornes
Portero con intercomunicador con 3 T2
Intercomunicador con 2 T2
Circuitos con T3
T3 Conexión básica con fuente genérica 4 bornes
T3 Conexión básica con fuente genérica 3 bornes
T3+FA-02+Frente BE para edificios
T3+FA-02+Frente VE para edificios
PCI 2 T3
PCI 2 T3+BE
PCI 3 T3
PCI 4 T3
T3+FA-PCI+Central luminosa
Intercomunicador 3 T3+FI-02
PCI+Central c/Leds cc, común en tel.
Circuitos con T4
T4+VE 1 pulsador
T4+FA-02+Frente BE para edificios
T4+FA-02+Frente VE (o genérico) para edificios
Intercomunicador 2 T4 con bobina de choke
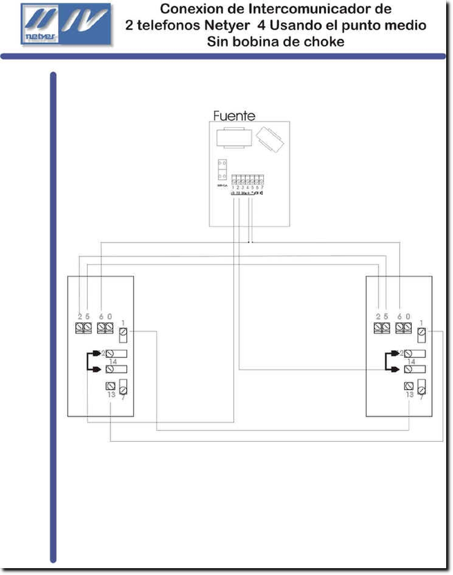
Intercomunicador 2 T4 punto medio sin bobina de choke
Intercomunicador 2 T4 en serie
Intercomunicador 2 T4 con FI-02
Intercomunicador 2 T4 con fuente Garins 2/12
Circuitos Kits 2 y 4 hilos
K-VET4/2 Conexión 2 hilos
K-VET4/2-2i Conexión 2 hilos, dos internos
K-VET4/4 Conexión 4 hilos
K-VET4/4 Conexión 4 hilos dos internos
K-XST4/2 Conexión 2 hilos
K-XST4/2-2i Conexión 2 hilos dos internos
K-XST4/4
Sistema con 2 frentes XS-4H para dos accesos con llamada diferenciada
Sistema con 2 frentes 4H , 2 T4 con llamada diferenciada
K-XST4/4 Dos accesos en paralelo
Aumentar el volumen en T4-4H
Kits de Video
Kit Video 2 teléfonos, 2 monitores
Equivalencias entre modelos
T1 (ONYC) y T3
T2 y T3
T3 y T4
T4-4H y Commax
T4 Serie M y Farfisa
T4 Serie M y Urmet
Tabla equivalencias entre modelos
Fuentes de Alimentación
FA-02 Conexión Genérica
FA-ID Intercomunicador para deptos.
FA-UPS Básico
FA-UPS Punto medio en los tel.
ACT-01 Activador de frentes
ACT-01 Bornera
1 T4+2 XS-6H activados individualmente
1 T4+2 frentes genéricos activados individualmente
1 T4+3 frentes activados individualmente
Conexión de Led
Varios
Bobina Antiacople
Ding Dong Auxiliar
CP-01 Control de Portería
Sistemas Especiales
Intercomunicador para ascensores
Manuales de Uso
Manuales
Videos y Tutoriales
Serie M - Alimentación
Serie M - Conexiones
Serie M - Cerradura
Serie M - Conexión de Corriente Contínua
Serie M - Conexión del Transformador de Cerradura
Serie M - Detección de problemas
Tutorial: Serie M Conexión Básica
Tutorial: Serie M Conexión Video
Contacto
Donde Comprar
Intercomunicador 2 T4 punto medio sin bobina de choke
Circuitos, Manuales y Service > Circuitos de Instalación > Circuitos con T4
-???-
T4+VE 1 pulsador
T4+FA-02+Frente BE para edificios
T4+FA-02+Frente VE (o genérico) para edificios
Intercomunicador 2 T4 con bobina de choke
Intercomunicador 2 T4 punto medio sin bobina de choke
←
Intercomunicador 2 T4 en serie
Intercomunicador 2 T4 con FI-02
Intercomunicador 2 T4 con fuente Garins 2/12
-???-
|
-???-